二級建築士 過去問
令和7年(2025年)
問76 (学科4(建築施工) 問1)

このページは閲覧用ページです。
履歴を残すには、 「新しく出題する(ここをクリック)」 をご利用ください。

問題

二級建築士試験 令和7年(2025年) 問76(学科4(建築施工) 問1) (訂正依頼・報告はこちら)

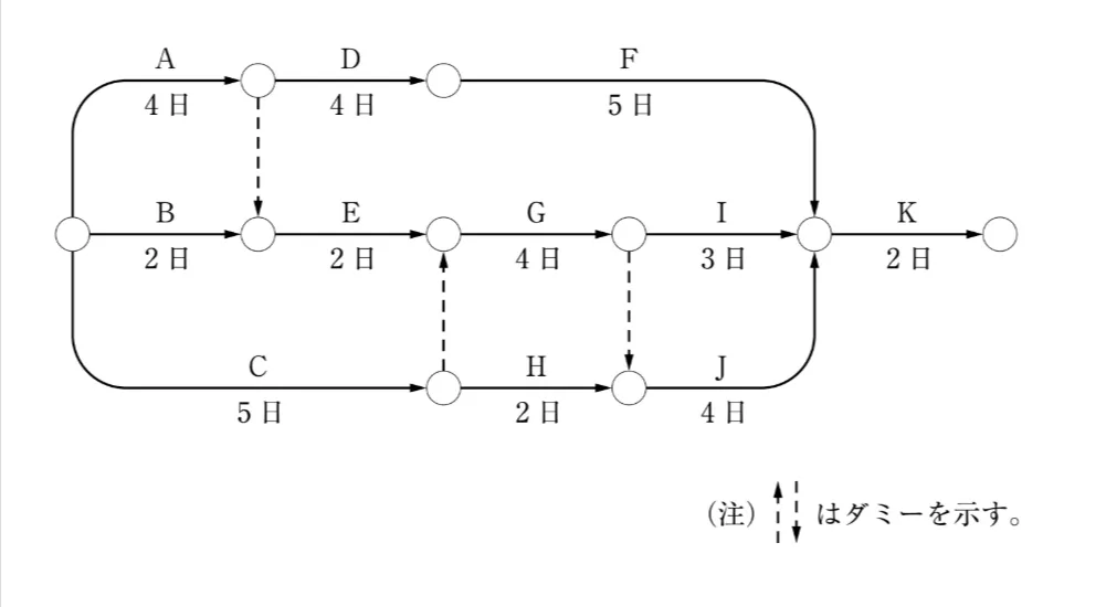
下に示すネットワーク工程表に関する次の記述のうち、最も不適当なものはどれか。
問題文の画像
  • この工事全体は、最短16日で終了する。
  • C作業及びE作業が終了しなければ、G作業は開始できない。
  • C作業、D作業及びE作業は、並行して行うことができる。
  • C作業の所要日数を1日延長すると、この工事全体の作業日数は、1日の延長となる。
  • G作業の所要日数を1日短縮すると、この工事全体の作業日数は、1日の短縮となる。

次の問題へ

正解!素晴らしいです

残念...

この過去問の解説 (1件)

01

この問題で覚えておくポイントは以下のとおりです。クリティカルパスとは全体工期を決定する最長経路のことです。つまり、最も所要日数が長い経路がどれかを求め、その経路上の作業(クリティカル作業)かどうかを判断すれば正解を判断できます。では問題をみてみましょう。
まず、主な経路と所要日数を整理します。
① A(4日)→D(4日)→F(5日)→K(2日) 15日
② B(2日)→E(2日)→G(4日)→I(3日)→K(2日) 13日
③ C(5日)→H(2日)→J(4日)→K(2日) 13日
ただし、図にはダミーがあり、
 ・D終了後でないとEに進めない
 ・C終了後でないとGに進めない
 ・G終了後でないとJに進めない
といった制約があります。これらを考慮して最早時刻を計算すると、全体工期は16日であり、クリティカルパスは
A → D → E → G → I → K
の経路(16日)となります。それでは各選択肢を検討します。

選択肢1. この工事全体は、最短16日で終了する。

最終到達時刻は16日なので正しい記述です。

選択肢2. C作業及びE作業が終了しなければ、G作業は開始できない。

図では、Gに入る前にEからの流れと、Cからのダミーの両方が必要です。したがって正しい記述です。
 

選択肢3. C作業、D作業及びE作業は、並行して行うことができる。

Cは独立して進行でき、DはA終了後、EはB終了後に進めます。工程上、同時並行は可能です。正しい記述です。
 

選択肢4. C作業の所要日数を1日延長すると、この工事全体の作業日数は、1日の延長となる。

Cはクリティカルパス上にありません。Gの開始はE終了時刻に支配されているため、Cには余裕があります。したがって1日延長しても全体工期は延びません。よってこれが最も不適当です。
 

選択肢5. G作業の所要日数を1日短縮すると、この工事全体の作業日数は、1日の短縮となる。

Gはクリティカルパス上の作業であるため、1日短縮すれば全体も1日短縮します。正しい記述です。

まとめ

ネットワーク工程表の問題では、
 ・最早時刻の計算
 ・クリティカルパスの特定
 ・各作業の余裕(フロート)の確認

この3点が重要です。特に延長・短縮が全体に影響するかは、クリティカル作業かどうかで判断します。頻出テーマなので確実に理解しておきましょう。
 

参考になった数4